My broken solar panel: Repair it or dump it?
This all started out to be an upgrade to my current system.
I have four 175 watt panels in the back yard on a fixed ground mount that have been gathering sunshine for about 6 years. The system works perfectly well supplying power to the battery bank (1200 amp-hour total) but the cloudy days can severely limit electricity use in the home. With the recent drop in prices for solar panels I just couldn't resist buying some more. The 175 watt panels cost $995.00 each in 2005, these new 200 watt panels cost $180.00 each in 2012 when you purchase a whole pallet of them.
My boss and I went together and purchased a full pallet of 20 panels, 200 watts each. We divided it right down the middle, he gets 10 and I get 10. Perfect. Just what each of us wants to add to our existing systems.
The pallet arrives in good condition, we're both very happy about that. We pick off the top 10 panels and set them aside for him to take home when he gets a place set up to store them. The pallet of 10 remaining panels are loaded into the back of his full size pickup truck with a forklift. He's going to deliver them to my home, nice guy, because I have a small pickup truck and would require many trips.
We get to my place and unload each new solar panel into the shed that I have already prepared for them. All goes well until we get to the last panel resting on the pallet. When we lift it we hear a crunching, squeaking sound that none of the others made. We raise it up on its side and take a look at the front. Wow, what a pretty looking mosaic pattern in the glass. The two round white spots in each corner are where the panel rested on a plastic carrier intended to keep the panels separated and aligned with each other during transport. The white spots are where the glass breaking began and then spread to the entire panel. The plastic carriers were probably a bad idea for this purpose, ya think?
Yes, it is completely shattered. The glass being Tempered broke into thousands of little odd shaped pieces. Because the glass is bonded to the solar cells with some kind of adhesive it is all still pretty much in one piece except for some tiny pieces that flake off the surface. Now what?
We notify the supplier of the problem and they graciously send a replacement to us (me). I am whole now but I have this broken 200 watt solar panel to deal with. What to do?
My boss said to dump it. Yeah, that would be the easy thing to do. I almost did dump it but they didn't want it in the dumpster at work. So I took it home with me.
What is the next step?
It sat outside in the weather while I pondered what to do with it. It even filled up with water during a spring rainstorm. All the while I considered this thing to be junk. So what the heck, I'll do some exploring and see how it is made. Maybe I can somehow remove the glass and salvage the solar cells. This is how it began...
I attempted to separate the broken glass from the solar cells below and found that I needed to get to the edge of the glass to get it started. To do that one side of the frame would have to come off. I removed the bottom of the frame by cutting through each corner with a hack saw, right through the seam at the 45 degree angle where the sides join. That frame is thick! 1/4 inch solid aluminum sandwiched between 16 gauge outer and inner framework.
I had to pull very hard to get the metal away from the glass/plastic solar panel sandwich because it is attached with double sided foam tape. Once off, the edge of the glass/plastic sandwich was at hand. I tried to force a utility knife into the junction between the glass and the backing. Progress with this method was slow and tedious. I was beginning to realize this may not be a good idea after all. So I tried using a heat gun to soften the adhesive and then pry the glass off with the knife. That did almost nothing to speed things along. OK, time for the propane torch. I heated a small section and picked off chunks of broken glass with the utility knife, but that wasn't any better either.
Stop. Rethink.
[ photo of damage I did to panel ]
Let me say that the adhesive used to bond the glass to the solar cells and plastic backing layer is some very sturdy stuff. I was only able to do some damage to about two square inches of the glass and one of the solar cells with my attempts at prying the glass apart. The glass is just not going to come off, period!
So ends the salvage operation...
I attempted to separate the broken glass from the solar cells below and found that I needed to get to the edge of the glass to get it started. To do that one side of the frame would have to come off. I removed the bottom of the frame by cutting through each corner with a hack saw, right through the seam at the 45 degree angle where the sides join. That frame is thick! 1/4 inch solid aluminum sandwiched between 16 gauge outer and inner framework.
I had to pull very hard to get the metal away from the glass/plastic solar panel sandwich because it is attached with double sided foam tape. Once off, the edge of the glass/plastic sandwich was at hand. I tried to force a utility knife into the junction between the glass and the backing. Progress with this method was slow and tedious. I was beginning to realize this may not be a good idea after all. So I tried using a heat gun to soften the adhesive and then pry the glass off with the knife. That did almost nothing to speed things along. OK, time for the propane torch. I heated a small section and picked off chunks of broken glass with the utility knife, but that wasn't any better either.
Stop. Rethink.
[ photo of damage I did to panel ]
Let me say that the adhesive used to bond the glass to the solar cells and plastic backing layer is some very sturdy stuff. I was only able to do some damage to about two square inches of the glass and one of the solar cells with my attempts at prying the glass apart. The glass is just not going to come off, period!
So ends the salvage operation...
Let's take apart the junction box on the back and see what's inside.
There are two wires coming out of the box, one is Positive and the other is Negative. New solar panels like this have the wires permanently attached, unlike the older ones which have a junction box with screw terminals for attaching your own wiring. The cover snapped off easily revealing a box filled with transparent rubber or something to keep water out of the electrical connections. I can see copper bus bars and other things through the transparent filler. It feels springy and soft. Maybe I can dig it out to reveal its secrets.
The transparent filler came out fairly easily although it took some time to get it all out of the way. There are copper ribbon straps which come from the solar cells that attach to rigid copper connections. The rigid copper sections are tied together with large surface mount diodes. These diodes are what keep the panel supplying power during partial shading of the panel surface. I was able to remove the two wires easily because they have standard ring terminals crimped on, and screws holding them onto the rigid copper.
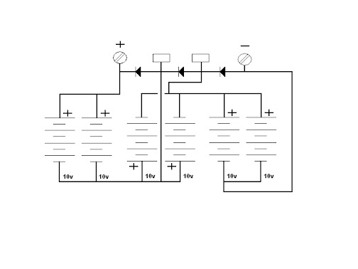
I unsoldered the ribbon straps so I could use a volt meter to determine how the panel is wired. Here is what I found: There are 3 strings of cells, 10 volts per string, each string is actually 2 parallel strings of individual cells. So this is a 30 volt nominal output panel.
Thinking here for a minute -- if this was 60 volt output I could use this panel to upgrade my little 48 volt system. Maybe. More exploration of the wiring is in order.
Here is a photo of the panel near the junction box. You can see the area I scraped off using a chisel. The white covering scraped off easily, revealing the copper strap wiring underneath. This is starting to look like I may be able to do some wiring experiments. 60 volts output? Maybe!
[ photo near junction box ]
Because this panel is starting to look promising to do some experiments with, it's time to put back the bottom of the frame that I removed earlier. So I carefully removed the double sticky tape from the channel in the frame and slid it back into place. It needs a bracket on each corner to hold it in place. I used two simple strap brackets from the hardware store. Bent them 90 degrees in the vice with a hammer. These already have 4 holes in an offset pattern which should work OK to hold the bottom of the frame in place.
I clamped the panel securely down to the top of the workbench. Held one of the modified strap brackets against one corner of the panel frame and marked where I need to drill holes to permanently attach it. After drilling the frame and attaching the bracket with two 1/4 inch bolts, I repeated the task on the other corner. Now the frame is back in place and appears to be fairly sturdy.
[ photo of frame corner with new bracket ]
I scraped more and more of the white covering off. In the end I was able to draw a complete schematic of the solar panel showing all of the cells. The copper ribbons beneath the now clear backing material look like they can be cut using a rotary tool with a carving burr installed. Doing this would allow me to rewire it to get 60 volts output. This is the schematic of the panel as it comes from the factory.
Repair the frame before going on.
Because this panel is starting to look promising to do some experiments with, it's time to put back the bottom of the frame that I removed earlier. So I carefully removed the double sticky tape from the channel in the frame and slid it back into place. It needs a bracket on each corner to hold it in place. I used two simple strap brackets from the hardware store. Bent them 90 degrees in the vice with a hammer. These already have 4 holes in an offset pattern which should work OK to hold the bottom of the frame in place.
I clamped the panel securely down to the top of the workbench. Held one of the modified strap brackets against one corner of the panel frame and marked where I need to drill holes to permanently attach it. After drilling the frame and attaching the bracket with two 1/4 inch bolts, I repeated the task on the other corner. Now the frame is back in place and appears to be fairly sturdy.
[ photo of frame corner with new bracket ]
Exploring the internals to find out how it's wired.
[ original panel schematic ]
And here is the schematic with modifications to change the output voltage from 30 volts to 60 volts.
[ modified panel schematic ]
With this information in hand I'm ready to mark-up the back of the panel indicating where cuts should be made to the copper straps. Additional marks will identify the new jumper wire tie points.
Cutting the underlying copper straps went very well, so I used the same burr and cleared off a small area to solder the new jumper wire. That went well too so I cleared off all the areas where the new wiring will attach. A high power solder gun (325 watt) was used to 'tin' the cleared areas in preparation for attaching the wires.
[ photo of marked up panel ]
In the photo above the arrow is pointing to where the cut in the underlying copper strap will be. The two narrow vertical lines extending above the copper strap are the connections going to the solar cells themselves. These lines show where the cells attach and therefore where the copper strap needed to be cut to rewire the panel for a different voltage output. The new wiring is soldered to the copper strap at the label "J5+". To the right of the arrow you can see another cleared off area revealing bare copper before it is tinned with solder.
I used 12 ga THWN conduit wire for the new jumpers. Minimal voltage drop across the new wiring is why I chose to use this heave gauge wire. We want to minimize power lost in the wiring as much as possible.
Adding strength to the flimsy broken panel
Since it looks like I will be able to use this panel after all, or at least do more experimenting with it, the panel needs to be reinforced somehow. It bends and flexes easily now that the glass is broken into thousands of pieces and some of them are constantly flaking off. That's not good.
The panel is currently laying flat on its face on top of a work bench. The bench is very strong (2 1/4 inch laminated maple) and I know it is very flat. So I'll use this rigid base to keep the face flat and add the reinforcement to the back.
The panel is currently laying flat on its face on top of a work bench. The bench is very strong (2 1/4 inch laminated maple) and I know it is very flat. So I'll use this rigid base to keep the face flat and add the reinforcement to the back.
The back of the panel is a fairly thick plastic with a white coating that I've been scraping off in places. If I use a good adhesive that will adhere to plastic and to galvanized steel then I can bond some angle steel to the back to hold it rigid and flat. The local home improvement center has some galvanized angle steel with large holes running the entire length which would be just what we need here. The holes in the steel will allow some of the adhesive to seep out around the openings resulting in more surface area for the adhesive to bond to.
The galvanized angle steel was cut to length to span the width of the panel leaving about 1/4 inch on either end to allow for the wiring to pass by. 4 lengths were put into place evenly spaced. There was some material left over so I cut it into lengths short enough to fit between the longer ones, at 90 degrees to them. This will give a little more strength between the 4 long braces.
[ photo of braces on back of panel ]
Once everything was fit into place I marked the panel where they go. Applied adhesive to the galvanized steel and carefully placed the piece back onto the panel. I clamped all the reinforcements securely in place so the adhesive would dry with a good coupling between the panel and galvanized steel. I let it sit like this for a week. Not necessary to do it that long but this is a weekend project. I'll continue next weekend.
The braces themselves would hold the center portion of the panel stable but the outer perimeter where the frame attaches would still be flexible due to the broken glass, so more needs to be done here.
[ photo of bracket connecting brace to frame ]
The final step with the new braces in place is to secure them to the main framework. I used some left over pieces that were trimmed from the shorter braces, just a single hole in length, to attach the brace to the frame. I used 5/16" x 1/2" bolts with lock washer to make the attachment. One is installed at each end of the long braces, making 8 total. Now the panel is held in place with the braces on the back and the original frame holds it at the perimeter.
This should be strong enough to withstand wind and weather outside as well as all the handling necessary to get it installed. And this completes the salvage and modification phase of the panel itself. Next I will build a mounting framework for the panel so it can be placed outside tilted up toward the sun. If all goes well it should collect energy from the sun to charge the 48 volt battery bank, but this is after all just an experiment.
Gregg Scholfield 2-4-2013
[ photo of braces on back of panel ]
Once everything was fit into place I marked the panel where they go. Applied adhesive to the galvanized steel and carefully placed the piece back onto the panel. I clamped all the reinforcements securely in place so the adhesive would dry with a good coupling between the panel and galvanized steel. I let it sit like this for a week. Not necessary to do it that long but this is a weekend project. I'll continue next weekend.
The braces themselves would hold the center portion of the panel stable but the outer perimeter where the frame attaches would still be flexible due to the broken glass, so more needs to be done here.
[ photo of bracket connecting brace to frame ]
The final step with the new braces in place is to secure them to the main framework. I used some left over pieces that were trimmed from the shorter braces, just a single hole in length, to attach the brace to the frame. I used 5/16" x 1/2" bolts with lock washer to make the attachment. One is installed at each end of the long braces, making 8 total. Now the panel is held in place with the braces on the back and the original frame holds it at the perimeter.
This should be strong enough to withstand wind and weather outside as well as all the handling necessary to get it installed. And this completes the salvage and modification phase of the panel itself. Next I will build a mounting framework for the panel so it can be placed outside tilted up toward the sun. If all goes well it should collect energy from the sun to charge the 48 volt battery bank, but this is after all just an experiment.
Gregg Scholfield 2-4-2013




Gregg, how difficult do you think it would be to modify a standard ~240W 60 cell panel to output ~10-12V instead of the more typical 30-36V?
ReplyDeleteThank you for your interest in my article. The panel you see here has 120 cells altogether, divided into 6 rows of 10 cells. Each row could have been separated into 6 - 10 volt outputs. To answer your question directly, that depends on the construction of the panel you want to modify. This one has a plastic backing which you can dig into to gain access to the electrical conductors. Digging into the back without going too far and damaging the cells or conductors is important to your success. The wiring I tapped into is the larger "wide" conductors buried between the back of the panel and the solar cells stuck to the other side. You can usually see them when you get enough light shining on the back of the panel or even lighting from the front to see them. Don't try to attach wiring to any conductor you can see from the front behind the glass. The chance of permanent, irreparable damage is just too great. I used a rotary motor tool to "gouge out" the plastic backing until it just barely touched the silver wiring straps buried inside. I would give it a try. It's actually not to hard to do. The trick here is you will have to figure out what the voltage is of each string in the panel, and where you can make "cuts" to divide them into useful voltages that you are trying to obtain. Good luck, Anonymous.
ReplyDeleteHere's how to cut your electric bill by 75%:
ReplyDeleteWant to know how to easily produce all of the green energy you could ever want right at home?
And you will be able to make your home completely immune from power failures, blackouts, and energy grid failures…
so even if everyone else in your area (or even the whole country) loses power you won’t.
HERE'S HOW: DIY HOME ENERGY
Great pleasure reading your post.Its full of information, thanks for sharing.
ReplyDeleteSolar Albuquerque
Commercial Solar Installation
Nice post
ReplyDeleteSolar Training in hyderabad We are Providing 100% Placement in Top Industrise,2eskills Providing Solar Training for the Safe Design